德國steute世德經銷-steute開關參數|價格|貨期
Ex RF IS M18 nb-ST 2 m訂購價格多少?貨期多少?來問問吧,專注德國steute世德產品,優惠為你報價;
Ex RF IS M18 nb-ST 2 m
Ex Wireless inductive sensor
物料號: 1355982
特征/選項
無線通用發射器steute世德Ex RF 96 ST可用在氣體防爆1區和粉塵防爆21區
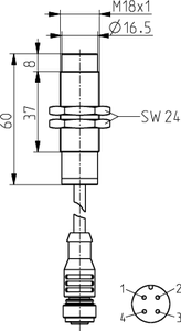
金屬外殼
M18螺紋
非齊平安裝
帶有M12耦合,4-針
注釋
訂購包含2個安裝螺母
技術參數
標準 EN 60947-5-2
外殼 brass, nickeled
前蓋 PVC, black
后蓋 PVC, black
連接類型 Coupling M12 x 1, 4-pole
電纜長度 2 m
防護等級 IP 67 符合 IEC/EN 60529
環境溫度 –20 °C … +60 °C
額定絕緣電壓 Ui 75 VDC
額定工作電流 Ie 0.2 mA
額定工作電壓 Ue 3 … 5 VDC
感應距離 sn 8 mm; sa 0 … 6.48 mm;
sr 7.2 mm … 8.8 mm
磁滯現象 approx. 10 %
重復性 < 5 %
安裝類型 non-flush
開關頻率 see Ex RF 96 ST
修正系數 Steel (Fe360) = 1; Stainless steel approx. 0.7; Brass approx. 0.5; Aluminium approx. 0.4; Copper approx. 0.4
操作頭 steel plate 24 x 24 x 1 mm, FE 360
注釋 The sensor may only be used in combination with an Ex RF 96 ST and is included within the ATEX and IECEx approvals for the wireless Ex universal transmitter.
Typenbezeichnung alte Mat.-Nr. Mat.-Nr.
Ex RF IS M12 nb-ST 2m 1355979
Ex RF IS M18 nb-ST 2m 1355982
Ex RF IS M30 nb-ST 2m 1355984
Typenbezeichnung alte Mat.-Nr. Mat.-Nr.
ExM 14 1S ST 2m 1393883
Typenbezeichnung alte Mat.-Nr. Mat.-Nr.
Ex RF 96 W SW868 mit Ex Lithium-Batterie 1391412
Ex RF 96 RL SW868 mit Ex Lithium-Batterie 1391416
Ex RF 96 WH SW868 mit Ex Lithium-Batterie 1391420
Ex RF 96 D SW868 mit Ex Lithium-Batterie 1391424
Ex RF 96 DS SW868 mit Ex Lithium-Batterie 1391428
Ex RF 96 DF SW868 mit Ex Lithium-Batterie auf Anfrage
Ex RF 96 TK SW868 10s Statussignal Niro mit Ex Lithium-Batterie Neu 1433978
Ex Lithium-Batterie M52 EX SVKP/036 3,0V/5,6Ah 1396153





